Воздушное отопление — Википедия
Материал из Википедии — свободной энциклопедии
Текущая версия страницы пока не проверялась опытными участниками и может значительно отличаться от версии, проверенной 25 марта 2014; проверки требуют 18 правок. Текущая версия страницы пока не проверялась опытными участниками и может значительно отличаться от версии, проверенной 25 марта 2014; проверки требуют 18 правок.Воздушное отопление — одна из разновидностей систем отопления зданий. В отличие от водяного или парового отопления, теплоносителем является горячий воздух.
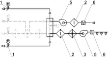
 Схема системы воздушного отопления: 1 — клапан, 2 — фильтр, 3 — подогреватель, 4 — камера смешения, 5 — вентилятор, 6 — глушитель шума
 Схема системы воздушного отопления, совмещенной с приточно-вытяжной вентиляцией, для зимнего режима. 7 — рекуперативный теплообменник[1]
 Схема системы воздушного отопления: 1 — клапан, 2 — фильтр, 3 — подогреватель, 4 — камера смешения, 5 — вентилятор, 6 — глушитель шума
 Схема системы воздушного отопления, совмещенной с приточно-вытяжной вентиляцией, для зимнего режима. 7 — рекуперативный теплообменник[1] 
Азия[править | править код]
Древний Рим[править | править код]

Римские архитекторы разработали эффективную систему центрального отопления с подогревом пола и стен (лат. hypocaustum, «снизу согретый»), описание принципов работы которой дошли до нас в работе «Десять книг об архитектуре» римского архитектора I века до н. э. Марка Витрувия Поллион. В термах с помощью печи (лат. praefurnium) нагревались вода и наружный воздух, которые затем циркулировали в каналах под полом и в полостях стен. При этом использовались двойные покрытия, чтобы пол не был очень горячим. Верхнее покрытие состояло из больших кирпичей, слоя битой глины и основного покрытия. Все это держалось на небольших кирпичных опорах (лат. pilae), которые сразу размещали в шахматном порядке. В стены были встроены прямоугольные кирпичи, внутри полые (лат. tubuli), которые крепились металлическими скобами. Внутри стены терм были украшены мрамором или оштукатурены.
Европа[править | править код]
В Воуллериме (Швеция) были найдены остатки примитивной системы обогрева пола (IV тысячелетие до н. э.), в которой теплый воздух поднимался по каналам к поверхности земли туда, где спали люди. Подобные прообразы печей были найдены и в поселке Аркаим (III—II тысячелетие до н. э.).
Воздушное отопление использовалось в средневековых замках Германии, теплый воздух поступал из щелей в полу. Так, например, в 1997 году при археологических раскопках замка Ингельхаймер-Кайзерпфальц (de:Ingelheimer Kaiserpfalz) (город Ингельхайм-на-Рейне) была обнаружена система отопления горячим воздухом, датированная XII—XIII веком[2].
В середине XVIII века шведский изобретатель Кристофер Польгем сделал чертёж отопительной системы с воздушными каналами, расположенными под полом.
Россия[править | править код]
Системы воздушного отопления стали одними из первых систем центрального отопления на территории России. Впервые воздушное отопление было использовано в 1487—1491 годах для обогрева Грановитой палаты Московского Кремля, после чего она получила широкое распространение в Европе и стала известна здесь как «русская система». Начиная с XVIII века воздушное отопление вытесняется системами водяного и парового отопления. Первые примеры применения водяного пара для обогрева помещений в России приводятся в книге Николая Львова «Русская пиростатика», вышедшей в 1799 году.
В настоящее время воздушное отопление с успехом применяется для обогрева промышленных, торговых и складских помещений различного объема, а также индивидуальных жилых домов, коттеджей и других строений. Принцип работы системы воздушного отопления основан на принудительном обдуве нагретой поверхности (теплообменника) и непосредственной подаче подогретого воздуха в контролируемую зону. Источником тепла для нагрева может служить электроэнергия (ТЭН), горячая вода или газ (природный или сжиженный). Основным достоинством при этом является непосредственное управление температурой самого контролируемого параметра, то есть воздуха, и оперативное воздействие на него с целью поддержания заданного значения. Наибольший экономический эффект позволяет получить газовое оборудование, в котором воздух нагревается от горячей поверхности теплообменника при сгорании газа. Это исключает промежуточное звено для передачи тепла в виде горячей воды и все возможные проблемы, связанные с эксплуатацией системы водяного отопления — так как в данном случае система полностью защищена от протечек, разморозки, коррозии.
Оборудование для воздушного отопления может быть двух типов — канальное и локальное[3]. Локальное оборудование устанавливается непосредственно в отапливаемой зоне (локальные воздухонагреватели). Канальное оборудование передаёт тепло в контролируемую зону через воздухораспределительную систему, собранную из воздуховодов. В совокупности это представляет собой централизованную систему для обработки воздуха. Она может обрабатывать полностью рециркуляционный воздух, подавая и забирая его из помещений для доведения до нужной температуры, смешанный — частично подмешивая воздух с улицы к рециркуляционному, или полностью уличный воздух. Центральная система воздушного отопления может подразделяться на зоны.
Системы воздушного отопления, плюсы и минусы, проектирование, схема
На американском континенте и в Европе уже долгое время системы воздушного отопления пользуются популярностью. В России же традиционно используют газовое отопление. Однако заметим, что водяная система обычно дает относительно низкий КПД, в то время как воздушная – 90%. Чем же еще хороша система воздушного отопления и как ее обустроить?

Система воздушного отопления частного дома
Преимущества воздушной отопительной системы
- Полная безопасность. Современная система автоматического контроля проверяет полную исправность всех элементов перед тем, как будет запущен процесс отопления. В случае обнаружения неисправности работа всего оборудования блокируется. Это дает возможность избежать любой проблемы. Кроме того, схема воздушного отопления является более безопасной, поскольку не имеет труб, заполненных теплоносителем – соответственно, исключается возможность прорыва, протекания и так далее.
- Более высокая скорость обогрева. Большинство систем, работающих на каком-либо типе теплоносителя, тратят львиную долю времени на его нагрев. Например, в водной системе отопление начинается лишь после того, как вода (выступающая теплоносителем) нагреется до определенного уровня и распространится по всем радиаторам – и только после этого начинается прогрев помещения. В воздушной системе отопления прогрев помещения происходит всего за 20-40 минут – это зависит от мощности оборудования и, конечно же, от размера самого помещения.
- Экономичность. Обладая высоким КПД, воздушная система использует достаточно мало ресурсов. А тот факт, что данная система не имеет промежуточных узлов (которые способствуют увеличению теплопотери), делает ее еще более выгодной.
 
 Сравнение воздушной и водяной систем отопления
- Большой срок службы. Правильно произведенные проектирование воздушного отопления и монтаж системы, а также регулярное ее сервисное обслуживание позволят вам наслаждаться ее качественной работой на протяжении минимум 17-20 лет.
- Легкость управления. Поскольку вся работа системы контролируется автоматикой, у вас не возникнет сложностей с ее эксплуатацией. Вы с легкостью сможете менять уровень температуры обогрева, повышая или понижая его в зависимости от необходимости.
- Доступность. Система воздушного отопления имеет вполне доступную стоимость. Также следует отметить, что окупается она за довольно короткий промежуток времени – от 7 месяцев до 1,5 года – в зависимости от интенсивности и частоты использования.
- Внешняя привлекательность. Особенностью системы, выгодно выделяющей ее среди остальных, является еще и то, что для нее не требуются батареи и трубы. Это позволит вам устанавливать любого размера окна, делать современный ремонт и не бояться, что из-за отопительных приборов его привлекательность будет снижена.

Горячий воздух поднимается через такие отверстия в полу и обогревает помещение
Строение и принцип работы системы
Для полноценной работы современной воздушной системы отопления необходимо использование теплогенератора. В теплообменник нагнетается воздух. Оптимальная температура нагрева 50-60 градусов. Далее по воздуховоду горячий воздух перемещается в помещение, где равномерно распределяется, нагревая комнату. Далее через специальные отверстия (решетки, вмонтированные в пол, или стены) остывший воздух вновь возвращается к теплогенератору. Нередко для подачи остывшего воздуха используются воздуховоды обрата.

Принцип работы теплогенератора
При рассмотрении схемы становится понятно, что основными элементами теплогенератора выступают вентилятор, обеспечивающий перемещение воздуха, и теплообменник. Сегодня существует много видов воздушных отопительных систем. Одним из отличий можно выделить метод нагрева воздуха. Это возможно несколькими способами, которые показывает такая классификация систем воздушного отопления:
- посредством применения теплового насоса;
- использование газовой горелки. При этом допустимо как подключение к основной газовой магистрали, так и использование газового баллона.
- горячей водой из централизованной системы;
- использованием дизельной горелки, или воздушное отопление на отработанном масле.
В зависимости от размера отапливаемых помещений, расход воздуха в системе может варьироваться от 1000 до 4 000 м3/час. При этом средний показатель давления в системе – 150 Па.
Следует учитывать, что если воздуховод имеет достаточно большую протяженность (в больших помещениях), то это может вызвать некоторую теплопотерю. Чтоб ее избежать, можно внедрить в систему несколько вспомогательных теплогенераторов. Важно помнить, оптимальная длина воздуховода (при которой уровень теплопотери минимален) составляет 30 м, а продолжительность ответвлений воздуховода не должна превышать 15 м.
Рекомендуем к прочтению:

Группа воздуховодов системы воздушного отопления
Для получения максимального эффекта от эксплуатации системы рациональным является решение дополнить ее блоком кондиционирования. Таким образом, в прохладное время года с ее помощью вы будете совершать обогрев дома, а в жаркое – производить некоторое охлаждение. Это позволит круглый год поддерживать в доме наиболее комфортную температуру. Кроме того, вы сможете дополнить воздушное отопление на твердом топливе такими полезными устройствами, как, допустим, увлажнитель или стерилизатор воздуха.
Вентиляция системы может быть двух типов:
- естественная. Горячий воздух в системе просто поднимается вверх и произвольно перемещается по воздуховоду, нагревая его. Весомые минусы воздушного отопления в таком случае – то, что в случае попадания холодного воздуха в помещение (через окна, двери) он оседает в нижней части комнаты, создавая существенный дискомфорт. А в это время горячий воздух согревает потолок.
- принудительная. Более эффективная модель работы системы, поскольку циркуляция воздуха значительно ускоряется посредством применения мощных вентиляторов. Система работает прекрасно, но шум вентилятора, доносящийся из воздуховода, может создавать определенный дискомфорт.

Естественная и принудительная системы вентиляции частного дома
Требования к выбору оборудования
При выборе воздушной отопительной системы для дома важно учесть тип топлива, которое будет использовано для нагрева воздуха. Для максимального удобства отдельными производителями были предложены модели систем, в которых допускается переход с одного типа топлива на другой. Например – с природного газа на сжиженное топливо. В таком случае вам необходимо будет лишь сменить горелку и насадку, подающую топливо.
В случае если вы остановили свой выбор на приобретении системы, работающей на жидком топливе, то необходимо предварительно позаботиться о наличии бака для хранения топлива, трубопровода для его подачи.
Такое воздушное отопление совмещенное с вентиляцией должно быть оснащено дополнительными фильтрами. Точно также некоторое вспомогательное оборудование необходимо будет приобрести для систем на жидком газе. А в случае использовании баллонов с газом возникает необходимость создания помещения для их хранения. Единственный тип топлива, не требующий дополнительного оборудования – природный газ.
Рекомендуем к прочтению:

Рекуперативный воздухонагреватель
Система предусматривает обязательное наличие воздуховодов. Оно могут быть:
- круглые – для их создания используются трубы диаметром 100-200 мм, которые скрепляются при помощи хомутов. Использование такого типа труб дает небольшое преимущество – они обладают небольшим аэродинамическим сопротивлением. А это, в свою очередь, положительно сказывается на КПД системы.
- квадратные (прямоугольные) – в силу большей эстетичности именно такой тип труб применяется для создания отопительной системы жилых домов.
- совмещенные – в системе используются как прямоугольные, так и круглые трубы. Важно учесть – если необходимо провести трубу через неотапливаемое помещение – обязательно наличие защитного термоизолирующего чехла, который предотвращает теплопотерю.

Воздуховоды системы воздушного отопления
Предварительный расчет
Процесс планирования воздушной отопительной системы предполагает учет многих нюансов. Поэтому наиболее правильным является решение предоставить провести такой расчет воздушного отопления специалистам. Что они учитывают:
- теплопотерю в каждом помещении;
- тип и мощность нагревательного элемента;
- какое необходимо оптимальное количество нагретого воздуха;
- сечение трубопровода;
- снижение давления в системе.
В случае если вы закажете проект отопительной системы у специалистов, вам на рассмотрение будет представлено несколько проектов. И только учтя воздушное отопление плюсы и минусы каждого, можно принимать решение относительно того, как именно устраивать отопительную систему.
Не следует пытаться смонтировать воздушное отопление на дровах или газу самостоятельно, не зная всех требований и правил. Нередки случаи, когда неправильное планирование приводит к тому, что в помещении постоянно стоит шум от вентиляторов и присутствует сквозняк. Воздушная отопительная система прекрасно способна отапливать дом – но только в том случае, если она спланирована и смонтирована специалистами.
Воздушное отопление.Виды и устройство.Работа и применение.Выбор
Сравнительно недавно появился такой способ обогрева дома, как воздушное отопление. Если раньше этот вариант применялся для отопления больших помещений, складов, офисов и магазинов, то сейчас его все чаще используют для обогрева частных домов.
Благодаря тому, что данный вид отопления подходит как для небольшого дома, так и для производственных помещений и стоимость такого оборудования будет меньше, по сравнению с другими типами обогрева, воздушное отопление быстро приобретает популярность.
Виды воздушного отопления
В этом случае основным теплоносителем является воздух, его нагрев происходит за счет первичного теплоносителя, это может быть горячая вода, пар или газ.
Разделение данного типа отопления на виды проводится по параметрам:
- Способ циркуляции воздуха. Это может происходить механическим путем, когда для движения воздуха используются вентиляторы или естественным, в этом случае воздушные массы перемещаются за счет разницы температуры.
- Тип устройства. Могут использоваться центральные устройства, которые находятся вне дома и воздух в помещении подается по специальным воздуховодам, или локальные – они находятся непосредственно в помещении и помогают поддерживать температуру в заданной зоне.
- Способ воздухообмена. Есть системы, использующие только воздух, находящийся внутри обогреваемого помещения, они называются рециркуляционные. Могут быть системы с частичной рециркуляцией и приточные – в них приток воздуха происходит с улицы.
- Тип расположения. Такие устройства могут располагаться на полу или быть подвесными.
Устройство воздушной системы отопления
Если в системе обогрева используются воздуховоды, то к ней относится:
- Установка, при помощи которой нагревают воздух.
- Вентилятор, он необходим для перемещения воздуха по воздуховодам.
- Система воздуховодов.
Такой тип обогрева позволяет не только отапливать помещение, летом можно установить охлаждающую систему и таким образом, поддерживать в доме комфортную температуру. При использовании системы естественной циркуляции воздуха воздуховодов нет, и нагретый воздух сразу попадает в помещение.
Теплогенератор, который используется для нагрева воздуха, должен его разогревать не выше 70 градусов. Это надо для того, чтобы при смешивании его с воздухом в комнате, он оставался пригодным для дыхания.
Теплогенератор может быть нескольких видов:
- Прямого нагрева – нагрев воздуха происходит за счет сгорания топлива (газ, уголь, дизтопливо и др.).
- Электрическое оборудование прямого нагрева – используются мощные тепловентиляторы, которые одновременно нагревают и перемещают воздушные массы.
- Косвенного нагрева – есть теплообменник, в нем циркулирует вода и уже она нагревает воздух.
- Комбинированные устройства — оборудование нескольких типов объединяют в единую систему, что позволяет получить качественный и эффективный обогрев.
Кроме описанных элементов, такая система обогрева может включать в себя фильтры для очистки воздуха, увлажнители, ионизаторы, осушители, стерилизаторы и другое оборудование. Для управления могут использоваться автоматические системы, при помощи которых в помещении создаются комфортные условия.
Принцип действия
Воздух нагревается в теплогенераторе, после чего подается в помещение. Перед подачей нагретого воздуха, он проходит очистку при помощи системы фильтров, а после этого, по воздуховодам разводится в разные комнаты. На воздуховодах есть диффузоры, которые используются для регулировки подачи воздуха и таким образом, в помещении поддерживается заданная температура.
Обычно циркуляция воздушных масс проводится принудительно, то есть при помощи мощных вентиляторов. Воздуховоды могут иметь круглое или прямоугольное сечение. В интерьер лучше вписываются те, которые имеют прямоугольное сечение, но аэродинамическое сопротивление меньше у круглых. После охлаждения воздуха, он по возвратным воздуховодам снова попадает в теплогенератор и за счет его циркуляции происходит обогрев дома.
Область применения
Воздушное отопление широко применяется как в промышленных и общественных помещениях, так и в жилых домах. Если радиус действия системы не более 10 метров, то можно использовать системы отопления с естественной циркуляцией. Когда он будет больше, необходимо устанавливать вентиляторы, которые смогут обеспечить принудительную циркуляцию воздуха.
Рециркуляционные системы можно использовать только там, где воздух не загрязняется различными выделениями. Если он загрязняется, например, вредными микроорганизмами или другими источниками, то необходимо устанавливать прямоточную систему отопления, которая связана с приточной вентиляцией.
Воздушное отопление экономически более выгодное, чем паровое или водяное, так как для его создания требуется меньше металла, а монтаж проводится намного проще и быстрее.
Как выбрать воздушное отопление
Если решено установить в доме воздушное отопление, надо сначала определиться с источником тепла, который используется в теплогенераторе:
- Твердотопливный котел, этот вариант нагрева является самым простым и доступным. При нагреве булерьяна происходит естественная циркуляция воздуха, что позволяет обогревать небольшой дом, если организовать принудительную циркуляцию воздуха по воздуховодам, то обгорев, проводится еще более эффективно.
- Газовый котел, во время сжигания газа в теплообменнике нагревается воздух, после чего он принудительно разводится по комнатам.
- Электрические системы, такое решение реализуется при помощи тепловентиляторов, тепловых пушек или электрических конвекторов с обдувом теплообменника.
- Тепловой насос, самым простым вариантом является оконный кондиционер, особенностью теплового насоса является то, что он берет тепло из воздуха, воды или грунта и отдает его для нагрева помещения.
Во время проведения расчета такой системы отопления, надо учитывать следующее:
- Из каких материалов построен дом.
- Какими материалами и насколько качественно выполнена его теплоизоляция.
- Размер и число окон.
- Сколько в доме постоянно проживает людей.
- Используются ли дополнительные источники тепла и какая у них мощность.
Специалисты рекомендуют при проведении расчета учитывать, что на кубический метр отапливаемого объема надо затратить 40 Ватт тепловой мощности, для северных районов с суровыми зимами этот показатель увеличивают в 1,5-2 раза.
Проще планировать такое отопление на стадии строительства дома, так как воздуховоды можно спрятать в стенах или оставить для них пустоты. В готовом здании это сделать сложнее и не всегда получается сделать их незаметными.
Достоинства и недостатки
Воздушное отопление используется очень часто, что указывает на его популярность, которая объясняется следующими преимуществами такого обогрева:
- Низкие затраты энергии.
- Нет радиаторов и труб, что позволяет экономить на материалах и на времени создания такой системы обогрева.
- Высокий КПД, он часто больше, чем у систем водяного отопления.
- Такой теплоноситель, как воздух не замерзает и не протекает.
- Есть возможность совмещать в одной системе отопление дома и системы вентиляции, кондиционирования.
- Быстрый нагрев помещения, достаточно 20-40 минут, чтобы нагреть помещение, в котором была отрицательная температура.
- При установке автоматической управляющей системы, можно настроить необходимую температуру, в момент нахождения людей в доме и когда их в нем нет.
- Так как нет труб и радиаторов, экономится пространство комнаты и не портится ее эстетичный вид.
- Быстрая окупаемость.
- Большой срок службы, при правильной эксплуатации, такая система будет работать минимум 30-40 лет.
- Доступная стоимость.
Но нельзя сказать, что воздушное отопление является идеальным вариантом, как и у других способов обогрева, есть у него и ряд недостатков:
- Во время работы вентиляторов создается определенный шум, чтобы его уменьшить, их надо устанавливать в отдельных помещениях.
- На уровне пола и потолка будет значительная разница температуры и чтобы ее уменьшить, надо увеличивать мощность используемого оборудования.
- Если забор воздуха происходит с улицы, и нет фильтров или они загрязнились, то в дом будет попадать пыль.
Особенности расчета
Для самостоятельного расчета такой системы обогрева, надо иметь специальные знания и навыки, поэтому лучше воспользоваться услугами специалистов. Заказчик может только проконтролировать выполнение расчетов, в их число входят такие этапы:
- Расчет тепловых потерь в каждой комнате.
- Выбор типа отопительного оборудования и определение его мощности.
- Какое необходимо количество подогретого воздуха, с учетом выбранного оборудования.
- Длина и сечение воздуховодов.
В таком случае заказчик получает несколько вариантов расчетов, сделанных специалистами, и сможет выбрать тот, который полностью удовлетворит его требованиям.
Похожие темы:
принцип обогрева, применение, плюсы и минусы
Содержание статьи:
С техническим прогрессом человечество стало использовать все большее количество отопительного оборудования, где в качестве топлива задействованы не только дрова, но и газ, электричество, уголь и т.д. Благодаря этому стало возможным обогревать большие помещения с разным назначением. Однако несмотря на большое разнообразие систем, не утрачивается актуальность отопление воздухом, этой системе уже более 2 000 лет.
Принцип работы воздушного отопления

Принцип работы воздушной системы отопления
На протяжении всего времени существования воздушного способа обогрева помещений было изобретено два эффективных подхода:
- Теплообмен, который задействован в калориферах. Принцип действия аналогичен работе водяного отопления, только в качестве теплоносителя используется не жидкость, а горячий воздух. Прогретые им воздуховоды начнут выделять тепло для обогрева комнат.
- Прямой способ нагрева задействован в системах с теплогенераторами. В камерах сгорания прогревается наружный воздух и по воздушным каналам стремиться в помещения. Такой способ позволяет достичь максимальных показателей коэффициента полезного действия (КПД).
Наиболее распространен на сегодняшний день последний способ благодаря универсальности использования. Данную отопительную систему можно совмещать с системами кондиционирования и вентиляции. Помимо этого, при разумной реализации проекта будет возможность регулировать местный температурный режим путем применения локальных воздухонагревателей в каждой комнате. По этой принципу обогревательные системы делятся на локальные и центральные.
Преимущества и недостатки
 Прежде чем отдавать предпочтение той или иной отопительной системе, нужно внимательно ознакомиться с ее особенностями, преимуществами и недостатками.
Прежде чем отдавать предпочтение той или иной отопительной системе, нужно внимательно ознакомиться с ее особенностями, преимуществами и недостатками.
К основным достоинствам воздушной системы следует отнести:
- Благодаря тому, что воздух – это самый контролируемый теплоноситель, удается регулировать температурный режим в помещениях с высокой точностью.
- Система кондиционирования универсальна в своем использовании, поскольку зимой работает на обогрев помещения, а летом на его охлаждение. Также такой подход позволяет существенно экономить пространство в комнате, поскольку достаточно одной установки.
- Нет необходимости устанавливать воздушное отопление около окон.
- Отсутствие классических отопительных приборов (батареи, радиаторы). Пространство выглядит более эстетично, появляется возможность реализовать большое количество различных дизайнерских решений.
Несмотря на большое количество преимущественных особенностей, забывать о недостатках нельзя. Их, к сожалению, немало.
- Если для работы системы требуется непрерывное функционирование энергоресурса в виде газа, ежемесячно расходы на оплату коммунальных платежей будут высокими.
- Плохая инерция. Система отопления воздухом, в сравнении с альтернативными методами обогрева, наиболее неинерционная. Это указывает на то, что при включении системы, человек ощущает выделяемое им тепло, но стоит его отключить, помещение быстро начнет охлаждаться. Это один из основных недостатков системы.
- Для обогрева помещения требуется большое количество воздуха, следовательно, нужно позаботиться об установке широких воздуховодов с большим сечением. Преимущественно их скрывают в потолочном пространстве, что часто мешает спроектировать интересный дизайн.
При обогреве помещения воздухом не удается соблюсти комфортных параметров микроклимата. Все радиаторы прогревают воздух, и он поднимается вверх, а системы кондиционирования устанавливают на высоте. Таким образом, верхняя часть комнат прогрета, а полы и нижняя часть холодные.
Расчет воздушной системы отопления

Вес воздуха G, вводимого за единицу времени в помещение для его отопления
Самостоятельно произвести все расчеты – задача не из легких. Чтобы все нюансы были учтены и не пришлось в будущем переделывать проект, лучше доверить эту работу профессионалам. При проведении расчетов мощности воздушного отопления, прежде всего, требуется определить:
- размер ослабления напора вдоль всего воздуховода;
- потери тепла в каждой комнате;
- размеры труб воздуховода;
- расчетная мощность, определяемая совокупными потерями тепла и типом используемого нагревателя;
- объемы воздуха, требуемые для качественного прогревания жилплощади.
Если возникают сложности в выборе оборудования, также потребуется консультация специалиста. Он расскажет об особенностях, достоинствах и недостатках каждой модификации и определит целесообразность выбора в конкретном случае.
При реализации проекта важно учесть большое количество строительных норм и правил, несоблюдение которых может вывести оборудование из строя и создать проблемы с государственными контролирующими органами.
Воздушное отопление частного дома своими руками

Система воздушного отопления для коттеджа
При реализации проекта чрезвычайно важно учесть оптимальный тип топлива, который будет использовать система для нагрева воздуха. Все чаще ведущими в мире производителями изготавливают гибриды – системы, работающие на разных видах топлива. Наиболее распространенный пример – переход с природного газа на сжиженное топливо. Для реализации требуется сменить насадку, подающую сырье, и горелку.
Если выбор пал на оборудование, работающее на жидком топливе, обязательно следует позаботиться о приобретении резервуара для его хранения. Воздушная отопительная система, совмещенная с вентиляцией, должна оснащаться специальными фильтрами и воздухоотводами. Ассортимент велик, они могут быть квадратными, прямоугольными, круглыми и совмещенными.
Реализация воздушной отопительной системы – отличное решение для квартир и загородных домов с небольшой площадью. Однако, достичь высокой эффективности удастся лишь при грамотном проектировании, выборе оборудования оптимальной мощности, его правильной установке и эксплуатации.
Плюсы и недостатки воздушного отопления частного дома

В европейских странах уже давно популярно отопление жилых домов с помощью воздуха. Отказавшись от водяного отопления, можно получить ряд преимуществ. Самое главное достоинство — возможность получить 90% КПД. Значение данного показателя у водяной отопительной системы всего 60%.
О системе воздушного отопления
Отопление воздушного типа отличается высоким качеством и надежностью. Конструкция включает следующие элементы:
- Генератор теплового вида (работает на воде, необходим для нагревания воздушных масс в помещении)
- Оборудование, которое напоминает стандартный вентилятор (главная функция — передача тепла в нужный участок комнаты)
- Воздуховоды — специально разветвленные каналы (направляют нагретый воздух в нужное помещение).
Многие люди знают, что такое деревенская печка. Для обогрева помещения необходимо подготовить дрова и затопить печь. Подобным образом работает воздушная система отопления. Нагретый воздух разносится по всему помещению и греет всю комнату.
Также бывает принудительная циркуляция теплого воздуха. Для этого используются специальные вентиляторы. Данный способ требует наличия электрической энергии.
Методы проведения циркуляции:
- Подача свежего воздуха извне.
- Циркуляция прямоточного вида (затратный метод, не рекомендуется для жилых помещений).
- Закрытый цикл.
В СВО отсутствуют радиаторы. Принцип действия: тепловой генератор греет воздух, а не жидкость.
Виды СВО представлены в таблице.
| Разновидность | Описание | 
| Гравитационные | Принцип действия: 1. Поднятие теплого воздуха вверх. 2. Растекание воздушных масс по потолку и дальним стенам. 3. Охлаждение воздуха и опускание его вниз. Таким образом, создается круговорот без дополнительных приспособлений. Данную систему можно назвать классикой. Достоинства метода: отсутствие шума, высокая надежность, экономичность. | 
| Принудительные | Способ нагревания воздушных масс — при помощи вентилятора. Также теплый воздух может подаваться по системе воздуховодов. Следующий этап — часть воздуха возвращается для повторного нагревания, оставшаяся часть поступает на улицу. | 
Воздуховоды изготавливаются из листовой оцинковки и специального гофра. В качестве утеплителя используется теплоизолятор (самоклеящийся материал). Между собой детали соединяются хомутами или скотчем.
Виды воздуховодов:
- Гибкие.
- Жесткие.
- Круглые (имеют минимальное значение аэродинамического сопротивления)
- Квадратные (изготавливаются в виде коробов).
КПД принудительного отопления равен 90-99%. Многие современные котлы имеют КПД, находящийся в диапазоне от 85 до 95%.
Воздушное отопление обладает естественной циркуляцией (теплый воздух поднимается вверх, а холодный остается снизу). Подтвердить это можно следующим образом: при открытии входной двери в зимнее время года холодный воздух проходит по полу, а теплый выходит сверху.
Проблемы, которые могут возникнуть при неправильном расчете системы отопления:
- Наличие шума или стука во время работы.
- Появление в комнатах сквозняка.
- Перегревание теплоносителя.
Воздуховоды могут изготавливаться из пластика. Главное условие — расположение от пожароопасных мест. Места расположения воздуховодов: под потолком, внутри стен. Важно монтировать специальные решетки для вентиляции в потолке.

Плюсы метода
Достоинства:
- Экономная система теплоснабжения. Не нужно приобретать дорогостоящие радиаторы и трубы. Кроме того, отсутствуют траты на промежуточную жидкость.
- Легкая эксплуатация.
- Создание в помещении благоприятного микроклимата.
- Высокий коэффициент полезного действия.
- Риск протечки и замерзания отсутствует.
- Оборудование монтируется за короткий промежуток времени.
- Долговечность. Максимальный срок службы — 30 лет.
- Доступная цена. Окупаемость занимает небольшое количество времени.
- Можно использовать совместно с другими системами (вентиляция и кондиционирование).
- Быстрый нагрев жилых помещений (благодаря низкой инерционности).
- Имеется возможность автоматического управления (это исключает полное остывание комнаты).
- Красивый внешний вид (отсутствуют трубы и различные батареи, это позволяет планировать дизайн помещений).

Отрицательные стороны системы
Недостатки:
- Для обеспечения качественной работы система требует соответствующего обслуживания.
- Постоянная необходимость в электрическом питании (требуется резервная точка подачи электрической энергии).
- Систему невозможно усовершенствовать в процессе эксплуатации.
- Монтаж производится только на этапе строительства дома.
- Возникающие сквозняки могут нарушить нормальную циркуляцию воздуха, а это, в свою очередь, приведет к охлаждению пола в комнате.
- Имеется шум во время работы системы (причина — наличие вентиляторов).
- В воздухе присутствуют частицы пыли (она появляется в тех местах, где не установлены фильтры).
- Разный температурный режим внизу и вверху комнаты (разница может составлять 10 °С). Все это приводит к увеличению мощности, которая затрачивается на обогрев.

Рекомендации будущим владельцам
Данный вид отопления подходит для каркасных домов. Важная информация: воздуховоды размещаются в стенах. В подобных домах часто имеется пустота между наружной обшивкой и внутренней отделкой.
Воздушная система может быть установлена в любом доме. Главное условие — проведение точных расчетов на стадии проекта. Это необходимо делать, ведь в будущем потребуется создание специальных ниш для расположения воздуховодов.
Воздушная система отопления имеет высокие показатели работы на практике, именно поэтому она завоевала популярность среди потребителей.
Похожие записи
Система воздушного отопления для частного дома
Традиционно монтируемый контур отопления в постройках различного назначения – водяной (печи, камины, «козлы» и так далее не в счет), хотя в качестве теплоносителя в нем могут использоваться и так называемые «незамерзайки». В индивидуальных жилых строениях и квартирах в последнее время стали устанавливаться и электрические системы (наиболее распространенные варианты – греющие кабеля, маты, ИК-приборы).
Но если задать вопрос, что такое воздушное отопление, то вряд ли из 10 человек хотя бы двое правильно на него ответят. Хотя для установки в частном доме система этого типа – более чем привлекательное инженерное решение. Что она собой представляет, чем характеризуется и о многом другом – эта статья.
 
Принцип функционирования
Система воздушного обогрева монтируется по разным схемам, в зависимости от отапливаемой площади, этажности частного дома и ряда других факторов. Если коротко, то ее работа заключается в нагреве охлажденных воздушных масс, подающихся в теплогенератор, с последующим их отведением по «каналам», которые отвечают за отопление отдельных помещений.
 
Устройство воздушной системы отопления
В ее составе могут быть различные элементы, в зависимости от конкретного проекта. Основными (базовыми) являются:
- Теплогенератор. Нагревателем воздуха может служить котел, калорифер водяной, камин, тепловая пушка. Есть и другие варианты, например, солнечные батареи;
 
 
- Воздуховоды. Собственно, это каналы, по которым циркулируют потоки воздуха. В продаже есть разные исполнения таких изделий. Отличия в материале, сечении (круг, прямоугольник, квадрат), типоразмерах. Сочленение отдельных секций простое, поэтому монтаж своими силами никакой сложности не представляет;
- Теплообменник (экономайзер, рекуператор). Устанавливается не всегда, но для больших систем, как правило, монтируется;
- Дополнительное оборудование (клапана, вентиляторы, распределительные головки, решетки и ряд других элементов системы).
Варианты воздушного отопления
  Циркуляция воздушных масс – принудительная или естественная (гравитационная). Последняя разновидность системы монтируется, как правило, в небольших одноэтажных строениях.
Циркуляция воздушных масс – принудительная или естественная (гравитационная). Последняя разновидность системы монтируется, как правило, в небольших одноэтажных строениях.
Она характеризуется некоторой инерционностью (обусловленной архитектурными особенностями здания), зато контур является энергонезависимым (отпадает необходимость в использовании вентиляторов и других электрических приборов), а ее монтаж обходится дешевле. По сути, это усовершенствованное отопление печное частного дома.
Преимущество системы отопления с принудительной циркуляцией в том, что воздух может забираться извне (открытый цикл).
 
 
Следовательно, появляется возможность его регулярного освежения. Причем при любой температуре «за бортом», в то время как качественное проветривание комнат в зимний период способом открывания окон и дверей в некоторых случаях нежелательно. Например, если в доме маленькие дети, «капризные» растения и тому подобное. Минус понятен – более высокая стоимость установки и необходимость постоянного эн/обеспечения.
Особенности воздушного отопления
Плюсы:
  Один из главных – отсутствие риска протечек. Их не бывает в принципе, учитывая, что теплоносителем является воздух. Сюда же можно добавить, что и промерзание такой системы исключено. Для загородного строения, в которое хозяева наведываются лишь изредка – более чем актуально.
Один из главных – отсутствие риска протечек. Их не бывает в принципе, учитывая, что теплоносителем является воздух. Сюда же можно добавить, что и промерзание такой системы исключено. Для загородного строения, в которое хозяева наведываются лишь изредка – более чем актуально.
Высокая экономичность. Чтобы лучше понять, следует разобраться детально, за счет чего снижаются расходы:
- Профессионально выполненный монтаж системы обеспечит ее КПД на уровне не менее 93%. Если учесть, что для водяных контуров данный показатель редко доходит до значения 75%, то преимущество более чем весомое.
- Расход «топлива» минимальный. Во-первых, благодаря высокой инерционности системы отопления подобного типа (теплоноситель нагревается быстрее). Во-вторых, режим работы теплогенератора более «щадящий». Он включается лишь при падении температуры ниже предела, который задан автоматикой. Следовательно, его функционирование – это чередование периодов включения и покоя.
- Трубы, батареи (радиаторы) в таких системах не используются. Если сравнить общие расходы на монтаж оборудования, то для отопления воздушного затраты несколько меньше, чем водяного.
- Возможность совмещения функций обогрева и кондиционирования. После установки в частном строении системы отопления воздушного типа приобретение других бытовых приборов категории «климатическое оборудование» не требуется.
 
Быстрый монтаж системы. Даже если придется заниматься этим самостоятельно, не потребуются специфические инструменты и приспособления. Например, «утюг» для пластиковых труб и ряд других, не относящихся к бытовым.
Бесшумность воздушной системы. Во-первых, теплоноситель по трубам не «шуршит», что некоторых людей очень раздражает. Во-вторых, собственники частного дома никогда не столкнутся с таким «сюрпризом», как регулярные гидравлические удары. Особенно если строение более 2-х этажей.
 
Минимальный перечень работ, предусмотренных ТО. С точки зрения эксплуатации – довольно выгодная система.
Читателю, для которого эти аргументы не очень убедительны, можно привести еще один – длительный эксплуатационный срок воздушной системы. По сравнению с водяным отоплением превышение примерно в 2,5 – 3 раза.
Минусы
Если внимательно вникнуть в суть претензий, которые предъявляются к воздушной отопительной системе ее «благожелателями», то можно сделать вывод, что они, как впрочем, и все в этом мире, относительны.
Невозможность переделки. Чего конкретно? Вот этот вопрос прежде всего и следует уточнять.
Зависимость от эл/питания. Это относится только к отопительным системам, в которых циркуляция воздуха организована принудительно. То же самое можно «поставить в пику» практически любому контуру обогрева, за исключением разве что тех, где используются энергонезависимые котлы (типа TLO).
 
Необходимость в более частом проведении ТО. Обслуживание нужно любой технической аппаратуре (механизму, системе). Все дело в том, насколько грамотно ее эксплуатирует хозяин. Применительно к воздушному отоплению основное внимание уделяется своевременному удалению конденсата и нагара внутри воздуховодов. Однако в профессионально спроектированной системе предусмотрено, как минимизировать данные «недостатки» и облегчить проведение технологических операций.
Воздушную систему нельзя установить в эксплуатирующемся частном или ином строении. И опять не совсем верно. На этапе проектирования выбирается способ прокладки кабель-каналов. В основном встречаются скрытые схемы. Некоторые из них действительно, просто так не переделать. Но кто мешает предусмотреть монтаж различных фальш-панелей, установку натяжных потолков. Если правильно выбрать вид полотна (например, на тканевой основе), то им прикроется большая часть воздуховодов.
 
Автор рекомендует не судить столь однозначно о перечисленных недостатках и их количестве. Идеала не существует – это общеизвестно. А различные минусы можно «сгладить», если понимать принцип работы воздушного отопления, тем более монтируя систему по проекту, составленному профессионалом.
Стоимость воздушного отопления
Здесь уместно обозначить лишь ориентировочные данные, так как затраты зависят от схемы, состава, используемого оборудования, архитектуры строения и так далее.
 
Фирмы-подрядчики оценивают свои услуги за монтаж (без материалов) в пределах 920 – 1 140 руб/м2. Если все делать своими руками, этот пункт в смете будет отсутствовать. Но за разработку документации лучше заплатить, так как самостоятельно провести расчеты вряд ли получится.
Нелишне отметить, чем чреваты ошибки в проектировании:
- Постоянные сквозняки.
- Присутствие в комнатах дома посторонних шумов.
- Перегрев воздуха и осушение помещений.
И это только основные, наиболее часто «имеющие место быть» неприятности.
Общей информации достаточно. Решайте, читатель, нужно ли вам такое отопление в частном доме. Но то, что эта система избавит от многих проблем, связанных с водяным контуром – однозначно.
